·In accordance with ISO21287 standard
·Magnetic switch slots around the cylinder body
·Two kinds of rod type
·Multi-mounting accessories
·Compact structure

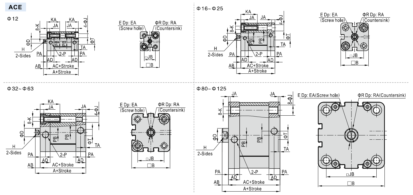
Bore size: 12mm 16mm 20mm 25mm 32mm 40mm 50mm 63mm 80mm 100mm 125mm
1. We can offer ACE pneumatic cylinder and Air cylinder kits AND In accordance with ISO21287 standard.
2. Bore 12mm 16mm 20mm 25mm 32mm 40mm 50mm 63mm 80mm 100mm 125mm ACE Air Cylinder Kits available.
3. Conforms to ISO21287 Standards.
4. Complete pneumatic cylinder assembly kits include front end cap, Rear end cap, piston, all seals, all screws, magnetic ring, PTFE-ring and ect., only except piston rod, and pneumatic cylinder profile.

| Bore size/Item | A | AB | AC | AD | B | D | E | EA | H | J | JA | JB | K | KA | P | PA | PB | R | RA | T | TA |
| 12 | 40 | 5 | 35 | 10 | 27.5 | 6 | M3X0.5 | 8 | 5 | 6 | 3.5 | 16 | M4x0.7 | 18.5 | M5X0.8 | 5.5 | 2 | 3.5 | 1.5 | 9 | 2.1 |
| 16 | 40 | 5 | 35 | 10 | 30 | 8 | M4X0.7 | 10 | 7 | 6 | 3.5 | 18 | M4X0.7 | 18.5 | M5X0.8 | 5.5 | 2 | 4.5 | 1.5 | 9 | 2.1 |
| 20 | 43 | 6 | 37 | 10.5 | 35.5 | 10 | M6X1.0 | 14 | 9 | 9 | 4.5 | 22 | M5X0.8 | 23.5 | M5X0.8 | 6 | 2 | 6.5 | 2.5 | 9 | 2.1 |
| 25 | 45 | 6 | 39 | 11 | 40 | 10 | M6X1.0 | 14 | 9 | 9 | 4.5 | 26 | M5X0.8 | 23.5 | M5X0.8 | 6 | 2 | 6.5 | 2.5 | 9 | 2.1 |
| 32 | 51 | 7 | 44 | 14 | 49.5 | 12 | M8X1.25 | 16 | 10 | 9 | 4.5 | 32.5 | M6X1.0 | 28.5 | G1/8 | 7.5 | 3 | 8.5 | 3.5 | 9 | 2.1 |
| 40 | 52.5 | 7 | 45.5 | 14.5 | 55 | 12 | M8X1.25 | 16 | 10 | 9 | 4.5 | 38 | M6X1.0 | 28.5 | G1/8 | 7.5 | 3 | 8.5 | 3.5 | 9 | 2.1 |
| 50 | 53.5 | 8 | 45.5 | 14.5 | 65.5 | 16 | M10X1.5 | 20 | 13 | 11 | 4.5 | 46.5 | M8X1.25 | 30.5 | G1/8 | 7.5 | 3 | 10.5 | 4.5 | 12 | 2.6 |
| 63 | 57 | 8 | 49 | 15 | 75.5 | 16 | M10X1.5 | 20 | 13 | 11 | 4.5 | 56.5 | M8X1.25 | 30.5 | G1/8 | 7.5 | 4 | 10.5 | 4.5 | 12 | 2.6 |
| 80 | 63 | 9 | 54 | 16 | 95.5 | 20 | M12X1.75 | 20 | 17 | 15 | 2.5 | 72 | M10X1.5 | - | G1/8 | 8.5 | 6 | 12.5 | 6 | 12 | 2.6 |
| 100 | 76 | 9 | 67 | 19 | 113.5 | 20 | M12X1.75 | 20 | 17 | 15 | 2.5 | 89 | M10X1.5 | - | G1/8 | 10.5 | 7 | 12.5 | 6 | 12 | 2.6 |
| 125 | 92 | 11 | 81 | 20 | 134.5 | 25 | M16X2.0 | 25 | 21 | - | - | 110 | M12X1.75 | - | G1/4 | 10.5 | 8 | 16.5 | 7 | 12 | 2.6 |
ACE Series Pneumatic Cylinder Kits
Cylinder Assembly Kits
Autoair Pneumatic CO., LTD
Add: 218 WEI18 ROAD,YUEIQNG ECONOMIC DEVELOPMENT ZONE,YUEQING CITY,WENZHOU CITY,ZHEJIANG PROVINCE,CHINA
Tel: 0086-13336999667
Email: Picasso@wincoair.com/Picasso@188.com